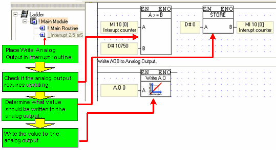
Write to Physical Analog Output is located on the Utils> Immediate menu. This element can be used to immediately write a value into a physical, hardwired output--without regard to the program scan.
This function is generally included in an Interrupt routine, for example to turn an output ON in case of an alarm or emergency.


|
Note ♦ |
Within a net, Write to Physical Analog Output should stand alone . |
